|
Модернизация тиристорных электроприводов постоянного тока
Предлагается модернизация тиристорных электроприводов постоянного тока (серий ТЕ, ТПЕ и др.), изготовленных в 1970-х -2000-х годах.

Модернизация тиристорных электроприводов постоянного тока включает в себя следующие этапы:
- Отключение устаревшей системы управления и сохранение её как резервной
- Установка нового блока управления в существующий тиристорный электропривод постоянного тока.
- Пуск, наладка, гарантийное обслуживание.
Преимущества модернизации:
- Дорогостоящая силовая часть, шкаф, входной трансформатор, входной автомат, щитовые приборы и внешние клемники, ошиновка, стрелочные приборы остаются.
- Новые цифровые средства управления имеют развитый интерфейс и позволяют использовать в системе технологической автоматики и диагностики (в том числе и диагностики неисправностей).
- Гораздо меньшая стоимость по сравнению с новым тиристорным электроприводом.
- Продлевается срок службы тиристорного электропривода постоянного тока.
- Гарантия 24 месяца.
Блок управления состоит из микропроцессорной системы управления, датчиков тока, датчиков напряжения, гальванической развязки, импульсных трансформаторов, релейной части, светосигнальной арматуры, пульта управления, трансформаторов питания и синхронизации.
Новый блок управления предназначен для регулирования скорости, напряжения (ЭДС) двигателя и других координат движения, определяемых требованиями автоматизируемого объекта или технологического процесса. При необходимости устанавливается возбудитель, в том числе с возможностью двухзонного регулирования (ослабления) поля.
Блок управления тиристорным электроприводом имеет следующие виды защиты:
1)защиту при превышении мгновенного тока предельной величины, устанавливаемой для данного электропривода; 2)защиту при аварийной перегрузке тиристоров; 3)защиту при исчезновении и недопустимом снижении тока возбуждения электродвигателя; 4)защиту при исчезновении напряжения питания силовых цепей и напряжения собственных нужд; 5) защиту от перегрузки электродвигателя, превышающей заданную величину в течение определенного времени.
Блок управления имеет следующие виды сигнализации: 1)сигнализацию о готовности электропривода к работе; 2) сигнализацию об аварийном отключении преобразователя; 3)сигнализацию о наличии напряжения в силовой цепи и напряжения собственных нужд.
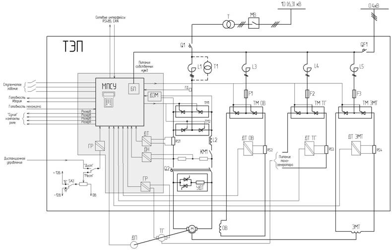
Функциональная схема модернизированной системы управления приведена на рисунке 1.
|
|
Остаётся:
ДП - датчик положения;
М - машина постоянного тока;
МВ - выключатель масляный;
ОВ - обмотка возбуждения;
ТМ1, ТМ2 - тиристорные мосты питания якорной цепи;
ТМ ОВ - тиристорный мост питания обмотки возбуждения;
ТМ ТГ - тиристорный мост питания тахогенератора;
ТМ ЭМТ - тиристорный мост питания
электромагнитного тормоза;
УДТ - устройство динамического торможения;
ЭМТ - электромагнитный тормоз;
F1:F3 - плавкие предохранители;
KM1 - контактор;
L1:L3 - реакторы;
Q1, Q2, QF1 - автоматические выключатели;
RS1:RS4 - шунты;
T, T1 - силовые трансформаторы
Устанавливается:
QF1-автомат собственных нужд;
БП - блок питания;
ГД - герконовый датчик;
ГР - гальваническая развязка;
ДЗМ - датчик запертого состояния мостов;
ДН - датчик напряжения;
ДТ - датчик тока;
МПСУ - микропроцессорная система управления;
|
Модернизация тиристорных возбудителей для синхронных машин
Предлагается модернизация тиристорных возбудителей (серий ТЕ, ТВУ, ВТЕ, ТВ, и др.), изготовленных в 1970-х -2000-х годах.
Модернизация тиристорных возбудителей включает в себя следующие этапы:
- Отключение устаревшей системы управления и сохранение её как резервной.
- Установка нового блока управления в существующий тиристорный возбудитель.
- Пуск, наладка, гарантийное обслуживание.
Преимущества модернизации:
- Остаётся дорогостоящая силовая часть, шкаф, входной трансформатор, входной автомат, щитовые приборы и внешние клемники, ошиновка.
- Срок окупаемости 1 - 1,5 года за счет компенсации реактивной мощности, уменьшения простоев оборудования.
- Новые цифровые средства управления имеют развитый интерфейс и позволяют использовать в системе технологической автоматики и диагностики (в том числе и диагностики неисправностей).
- Гораздо меньшая стоимость по сравнению с новым тиристорным возбудителем.
- Продлевается срок службы тиристорного возбудителя.
- Гарантия 24 месяца.
Предлагаемый блок управления предназначен для замены электронной системы управления, подержания заданной величины реактивной мощности, для автоматического регулирования тока возбуждения.
Блок управления состоит из микропроцессорной системы управления, датчиков тока, датчиков напряжения, гальванической развязки, импульсных трансформаторов, релейной части, светосигнальной арматуры, пульта управления, трансформаторов питания и синхронизации.
Новый блок управления обеспечивает:
- как прямой (реакторный) пуск двигателя, так и частотный;
- ручное задание тока возбуждения и его стабилизацию на заданном уровне;
- автоматическое регулирование реактивной мощности двигателя с подчинённым регулированием тока возбуждения;
- автоматическое регулирование (стабилизацию) напряжения на зажимах статора c подчинённым регулированием тока возбуждения;
- автоматическое регулирование задаваемого cos? c подчинённым регулированием тока возбуждения;
- форсировку тока возбуждения при включении двигателя в сеть, посадках напряжения питающей сети, увеличение угла нагрузки двигателя сверх установленного значения.
Блок управления возбудителем имеет следующие виды защиты: 1) от внешних и внутренних коротких замыканий; 2) от затянувшегося пуска синхронного двигателя; 3) от асинхронного хода двигателя; 4) от обрыва тока возбуждения; 5) от токовых перегрузок ротора и статора; 6) от перенапряжений на обмотке ротора.
Блок управления имеет сигнализацию: 1) о готовности; 2) об аварийном отключении; 3) о наличии напряжения собственных нужд и силового напряжения.
Функциональная схема модернизированной системы управления приведена на рисунке 1.
Остается:
M - синхронный двигатель;
МВ - масляный выключатель;
Q1 - автоматический выключатель;
T1 - трансформатор;
ТМ1 - тиристорный мост;
УГП- узел гашения поля и снятия перенапряжений;
RS1 - шунт;
щитовые приборы.
Устанавливается:
QF1 - автоматический выключатель собственных нужд;
ДТ- датчик тока;
ДН - датчик напряжения;
ДТС - датчик тока статора;
ДНС - датчик напряжения статора;
ТА - трансформаторы тока;
ТН - трансформатор напряжения;
ИП- импульсные трансформаторы;
БП - блок питания;
МПСУ-микропроцессорная система управления;
|